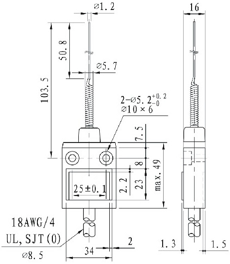
产品特点

  • 防水等级:满足IEC IP67/IP68防护等级的高密封性

  • 线缆长度:标准型提供2m的电缆长度

  • 接线特点:带柱塞的开关可实现并联安装

  • 产品特点:三层密封构造;柱塞部通过丁腈橡胶填料密封和隔膜密封,开关部通过丁腈橡胶帽密封;电缆入口通过包封材料密封

技术参数

额定电压 5A 125V,3A 250VAC
操作速度 1mm~1m/s
操作频率 机械:120 次/分
 电气:30 次/分
接点电阻 15m Ω以下
绝缘电阻 100Ω以上(在 500VDC以下)
耐电压 不连续端子间:1,000VAC,50、60Hz持续一分钟
 端子和接地间:1,500VAC,50、60Hz,持续一分钟
 端子和无载电流金属之间:1,500VAC,50/60Hz持续一分钟
振动 动作耐久:10~55Hz,1.5mm 双振幅
冲击 机械耐久:1000m/s2以上 (约30G以上)
 误动作耐久:500m/s以上(约30G以上)
使用周温 -10~+70 ℃
湿度 最大 95%RH
使用寿命 机械:1,000万次以上   电气:20万次以上
防护等级 IEC:IP67
重量 约360g(电缆线长3m)
型号KH-4270
OF最大1200gf(5.69N)
RF最小450gf(1.47N)
PT最大1.8mm
OT最小3mm
MD最大0.2mm
OP28.5 ± 1mm

下载专区

安装和接线说明 – GFI / GFSI Extreme

德语, 英语, 法语, 意大利语, 葡萄牙语, 俄语

PDF5 MB 28.09.2023

其它感兴趣的产品

KH-4270防水行程限位开关

Wireless

KH-4214防水行程限位开关

Wireless
标准产品

防水限位开关

KH-4270防水行程限位开关 联系我们