起重机限位开关
极高的可靠性与安全性
精准的检测与控制性能
灵活的安装与配置
智能化与集成化
卓越的环境适应性
长寿命与低维护
德语, 英语, 法语, 意大利语, 葡萄牙语, 俄语
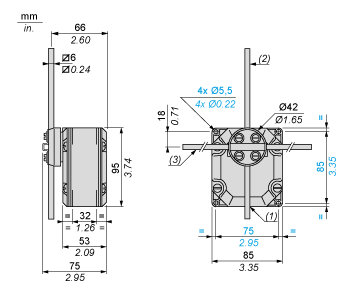
KJT XCRF57
KJT XCRE18
我们非常乐意为您提供关于我们所有产品和服务的支持与建议。