产品特点

  • 型号:KM-6143

  • 动作频率:电气:20次/分

  • 操作力 OF (最大Max.):640g

  • 回弹力 RF (最小Min.):230g

  • 防护等级:IP65

  • 额定绝缘电压UI:380V

  • 额定冲击耐受电压:2.5KV

技术参数

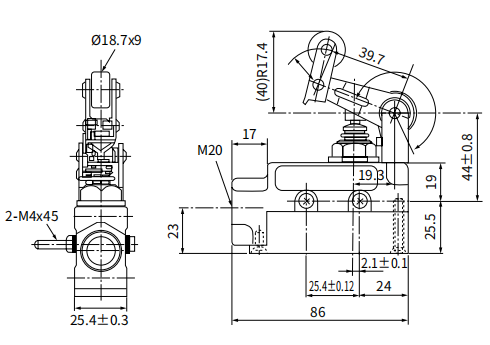
产品型号KM-6143
操作速度5mm 至 0.5m/s
动作频率

电气:20次/分 

接触电阻25mΩ 以下 ( 初期 )
绝缘电阻100MΩ 以上 ( 在 500VDC 以下 )
最小使用负载DC24V 10mA 以上
额定绝缘电压380V
额定冲击耐受电压2.5kV
约定自由空气发热电流15A
电介强度

非连续端子间1000VAC, 50/60Hz持续1分

钟载电流与无载电流零件间1890VAC, 50/60Hz持续1分钟

端子和接地之间1890VAC, 50/60Hz持续1分钟

振动

10至55Hz, 1.5mm双振幅

迟滞

机械耐久 :1,000m/Sec2( 约 100G’S)

误动作耐久 :300m/Sec2( 约 30G’S) 

周围温度使用时 :-20~+80℃ ( 没有结冰 )
湿度95%RH 以下
电气寿命500,000次以上
防护等级IP65
头部结构Z 铁架滚轮式头
动作特性
操作力OF(最大Max)640g
回弹力RF(最小Min)230g
预行程 PT (最大Max.)5mm
行程移动分辨率 MD (最大Max.)0.4mm
过行程 OT (最小Min.)6mm
动作位置 OP(mm.)-

下载专区

安装和接线说明 – GFI / GFSI Extreme

德语, 英语, 法语, 意大利语, 葡萄牙语, 俄语

PDF5 MB 28.09.2023

其它感兴趣的产品

KM-6143卧式限位开关

Wireless

KM-6101卧式限位开关

Wireless
标准产品

卧式限位开关

KM-6143卧式限位开关 联系我们