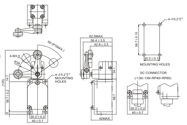
产品特点

  • 工作环境温度:-60~180℃

  • 防护等级:IP66/IP67标准

  • 触点数量:1组常开,1组常闭

  • 触点容量:5A/220V

  • 产品优点:耐高温、耐油、防水和防压

  • 应用领域:工业机械、电力、化工、造纸、钢铁等行业

技术参数

特性 Characteristics

操作速度
Operation speed

1mm至2m/S(AWLCA2型) , 1mm to 2m/S

动作频率
Action frequency

机械:120次/分 电气:30次/分 , Mechanically:120 times/minute Electically:30 times/Minute

接点电阻
Contact resistance

15MΩ以下(初期) Under 15mΩ(initial)

绝缘电阻
Insulation resistance

100MΩ以上(500VDC) 100mΩ above (at 500VDC)

耐电压
Bearing voltage

非连续端子间1,000VAC,50/60Hz持续1分钟
载电流与无载电流零件间与端子和接地之间2,200VAC,50/60Hz持续1分钟
Non-contact end:1,000VAC,50/60Hz for one minute
Current parts and noncurrent parts and end and connect position :2,200VAC,50/60Hz for one minute

振动
Vibration

误动作耐久:10至55Hz,1.5mm双振幅 , Action:10 to 55Hz,1.5mm pairs swing

冲击
Hitting

机械耐久:1,000m/Sec2(约100G,S)
误动作耐久:300m/Sec2(约30G,S)
Machine:1,000m/Sec2(about 100G,S)
Action:300m/Sec2(about 30G,S)

周围温度
Ambient temperature

使用时:-60 至 +180℃

湿度
Humidity

最大95%RH , Max 95% RH

使用寿命
Serve life

机械:15,000,000次以上(在额定OT值下) 电气:500,000次以上
Mechanically:15,000,000 times above(at rated ot)
Electrically:500,000 times above

重量
Weight

约275g(AWLCA2-2) , About 275g

防护等级
Protection structure

IEC 规格:IP66/IP67 , IEC specification:IP66/IP67

  注:

  1. 电感性负载之功率因素在 0.4 以上( AC ),时间常数在 7msec 以下( DC )。

  2. 灯泡负载之突入电流为稳定状态电流之 10 倍,马达负载之突入电流为稳定电流之 6 倍

下载专区

安装和接线说明 – GFI / GFSI Extreme

德语, 英语, 法语, 意大利语, 葡萄牙语, 俄语

PDF5 MB 28.09.2023

其它感兴趣的产品

KJT-DW1K耐低温行程限位开关

Wireless

KJT-DW2K耐低温行程限位开关

Wireless
标准产品

耐低温限位开关

KJT-DW10K耐低温行程限位开关 联系我们