产品特点

  • 产品系列:KJT-PK无线系跑偏开关

  • 负载电流:AC380V 5A,DC24V 5A

  • 触点方式:常开1.常团1;常开2. 常闭2.(订货时请注明)

  • 复位方式:自动

  • 电器寿命:>10万次

  • 防护等级:IP65/IP67

技术参数

型 号KJT-LS47CSZK(无线拉绳)
协议标准LoRa  私网协议
频率范围470~510MHz  FHSS
最大链路预算162dB
最大输出功率20dBm
极化方式单极化;垂直极化
灵敏度传输速率接收灵敏度(dBm)
2400bps-126dBm
800bps-130dBm
300bps-140dBm
建议传输距离20-1000M


管 

管理方式支持中/英文管理、配置免重启;
复位硬件支持
软件支持
功 能
工作模式P2P-S、M2P等
输入配置支持4路IO( 触点) 支持RS485(选配) 支持无线配置参数
显示屏及感应按键显示屏(LED)防水型无
感应按钮(选配)防水型无
显示屏显示电量状态,连接状态,信号强弱,指令状态,设备类型
实时数据状态显示支持各路IO口状态实时显示
安全性
无线加密CPC校验    AES128
硬件
CPU工业级MCU
内存FLASH16MB

SRAM32K
主频48MHz

 

 
接插口接插口数量1
接插口属性M16不锈钢防水开关
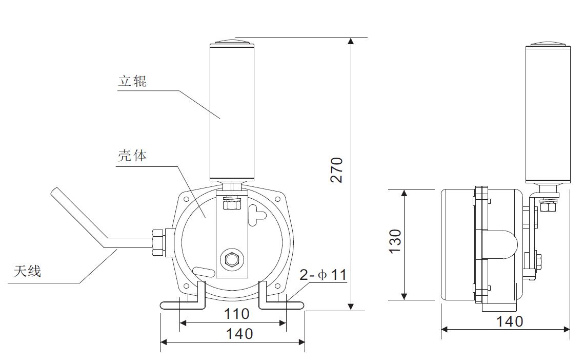
天线天线接口SMA
天线增益3dBi
天线角度垂直极化   全向天线
供 电
供电方式锂亚电池DC3.6v   6.5Ah
机械参数
角度动作角度30°
极限角度60°
动作力10kg
触点常开数量2路(默认)
常闭数量2路(选配)
复位自动1级报警
手动2级报警
微动开关欧姆龙
使用次数10^6
外壳材质铸铝(默认) 不锈钢(选配)
重量3kg/3.5kg
工作环境及特征
工作温度-20~60℃
储存温度-20~60℃
湿度(非凝结)≤95%(非凝结)
信号输入4路IO(触点)RS485
尺寸L*W*H(mm)220*200*130
工作电流满负荷工作电流 < 0.5mA @3.6V
正常状态工作电流 < 0.15mA @3.6V
空闲状态工作电流

 <0.05mA @3.6V


下载专区

安装和接线说明 – GFI / GFSI Extreme

德语, 英语, 法语, 意大利语, 葡萄牙语, 俄语

PDF5 MB 28.09.2023

其它感兴趣的产品

KJT-PK型地址码跑偏开关

Wireless

KJT-PK型不锈钢跑偏开关

Wireless
标准产品

跑偏开关

KJT-PK无线系跑偏开关 联系我们