产品特点
-
产品系列:KJT-LSB-I型
-
负载电流:AC380V 5A,DC24V 5A
-
触点方式:常开1.常闭1;常开2. 常闭2.(订货时请注明)
-
复位方式:自动
-
电器寿命:>10万次
-
防护等级:IP65/IP67
技术参数
常规技术参数
| 环境温度 | -30℃~+50℃ |
| 相对湿度 | 不小于85% |
| 动作角度 | 30° |
| 极限角度 | 60° |
| 动作力 | 70-100N |
| 触点数量 | 1个常开,1个常闭(可根据需要增加2组常开;2组常闭) |
| 触点容量 | AC380V/5A |
| 复位方式 | 自动 |
| 可靠性 | >10万次 |
| 防护等级 | IP65/IP67 |
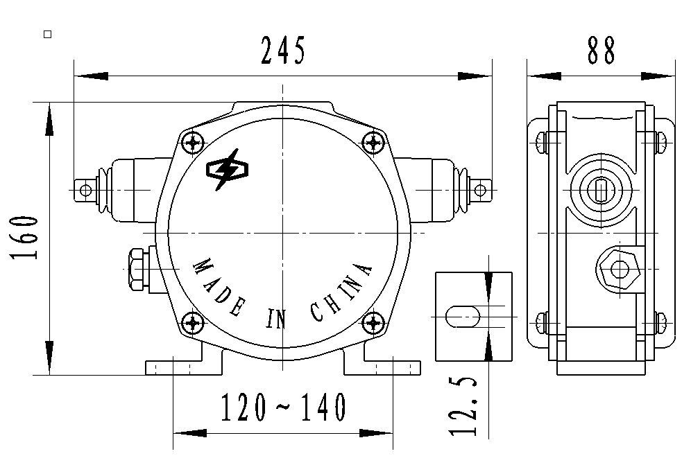
| 重量 | 2.5Kg |