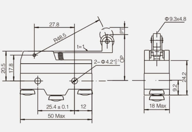
产品特点

  • 外壳材料:采用耐高温的酚醛模塑料外壳

  • 防护等级:IP40

  • 工作环境温度:-25~+80℃

  • 产品优点:具有微小触点间隙,动作快速、高灵敏和微小行程;

  • 应用领域:家用电器、电子设备、自动化设备、通讯设备、汽车电子仪器仪表

技术参数

项目item

操作速度Operating speed1mm-1m/s

操作频率
Action frequency

机械:240次/分 电气:20次/分 , Mechanically:240 times/minute Electically:20 times/Minute


接点电阻
Contact resistance

25mΩ(初值 initial value)

绝缘电阻
Insulation resistance

100MΩ以上(Above)DC500V

介质耐压
Withstand voltage

非连线Non-connection wire:1000VAC;各端子间 Every terminal:1500VAC

振动
Vibration

误动作Misoperation 10-55Hz 复振幅 Amplitude 1.5mm

冲击
Hitting

耐久:1,000m/s2
误动作耐久:300m/s
2
Durable:1,000m/s
2
Misoperation:300m/s

使用温度
Operating temperature

-25 至 +80℃

使用湿度
Operating humidity

<85%

使用寿命
Serve life

电气:100,000次以上,机械:1.000,000次以上
Electrically:100,000times above

Mechanically:1.000,000times above

防护等级
Protection structure

IP67

下载专区

安装和接线说明 – GFI / GFSI Extreme

德语, 英语, 法语, 意大利语, 葡萄牙语, 俄语

PDF5 MB 28.09.2023

其它感兴趣的产品

一开一闭按钮型微动开关KZ-15AB

Wireless

微量枢轴钢丝长手柄型微动开关KZ-15HW24-B

Wireless
标准产品

微动开关 KZ-15系列

枢轴滚筒手柄型微动开关KZ-15GW2-B 联系我们