产品特点

  • 外壳材料:采用热塑性塑料外壳

  • 防护等级:IP40

  • 工作环境温度:-25~+80℃

  • 产品优点:具有微小触点间隙,动作快速、高灵敏和微小行程;

  • 应用领域:家用电器、电子设备、自动化设备、通讯设备、汽车电子仪器仪表

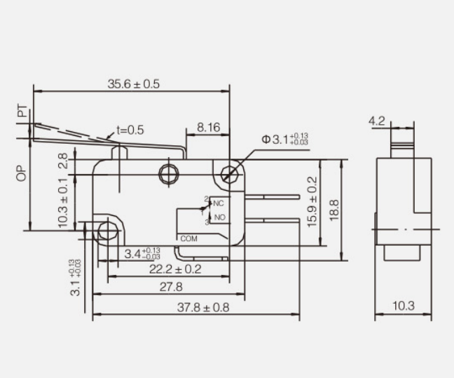
技术参数

特性 Characteristics

操作速度
Operation speed

 0.1mm-1m/s

动作频率
Action frequency

机械:600次/分 电气:30次/分 , Mechanically:600 times/minute Electically:30 times/Minute


接点电阻
Contact resistance

25mΩ(初值 initial value)

绝缘电阻
Insulation resistance

100M只以上(Above)DC500V

介质耐压
Withstand voltage

非连线Non-connection wire:1000VAC;各端子间 Every terminal:1500VAC

振动
Vibration

误动作Misoperation 10-55Hz 复振幅 Amplitude 1.5mm

冲击
Hitting

耐久:1,000m/s2
误动作耐久:300m/s
2
Machine:1,000m/s
2
Action:300m/s

使用温度
Operating temperature

-25 至 +80℃

使用湿度
Operating humidity

<85%

使用寿命
Serve life

电气:100,000次以上,机械:1.000,000次以上
Electrically:100,000times above

Mechanically:1.000,000times above

耐久
Durable

1,000m/s2

防护等级
Protection structure

IP40


下载专区

安装和接线说明 – GFI / GFSI Extreme

德语, 英语, 法语, 意大利语, 葡萄牙语, 俄语

PDF5 MB 28.09.2023

其它感兴趣的产品

按钮型微动开关KSS-5

Wireless

枢轴手柄型微动开关KSS-5GL

Wireless
标准产品

微动开关KV-15/KMS-5/KSS-5系列

枢轴手柄型微动开关KV-152-1C25 联系我们