产品特点

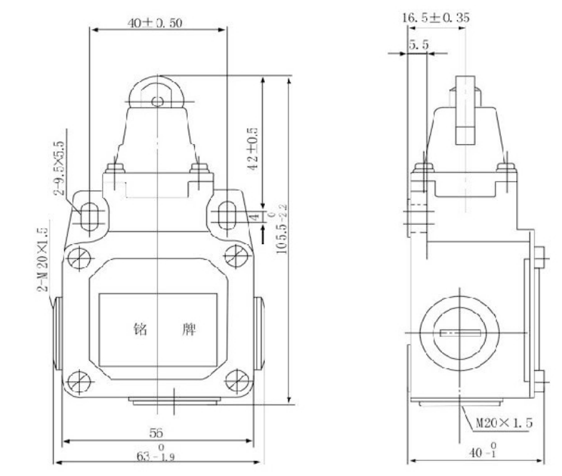
  • 型号:KJT-LXK3-20H/L

  • 额定工作电压:380V

  • 防护等级:IP52

  • 操作频率:20次/分

  • 动作行程:70°~80°

  • 差程:40°~60°

  • 全行程:90°±5°

技术参数

  性能
     使用类型     额定值
     AC-15  额定工作电压(Ue)     380V     220V     110V
     AC-15  额定工作电流(Ie)     0.8A     1.6A     2.5A
     DC-13 额定工作电压(Ue)       220V     110V
     DC-13 额定工作电流(Ie)      0.16A     0.315A
     额定工作电压(Ue)     380V
     约定自由发热电流(Ith)     10A
     额定冲击耐受电压(Uimp)     6000V
     额定工作制     8h
     防护等级     IP52
     操作频率     20次/分
     寿命     机械50万次 电气20万次
     工作特性
     型号     KJT-LXK3-20H/L
     动作行程
     70°~80°
     差程     40°~60°
     全行程     90°±5°
     动作力     2±0.3Kg. Cm
     恢复力
     -
     最大操作力     -
     释放力     2±0.3Kg. Cm

下载专区

安装和接线说明 – GFI / GFSI Extreme

德语, 英语, 法语, 意大利语, 葡萄牙语, 俄语

PDF5 MB 28.09.2023

其它感兴趣的产品

KJT-LXK3-20S/Z 行程开关

Wireless

KJT-LXK3-20S/L行程开关

Wireless
标准产品

行程开关KJT-LXK3系列

KJT-LXK3-20H/L 行程开关 联系我们