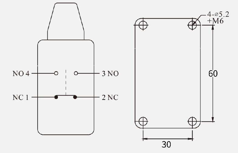
产品特点

  • 型号:KJT-KX-5104

  • 额定负荷:10A/250VAC

  • 操作速度:1mm-1m/s

  • 绝缘电阻:100mΩ以上

  • 接触电阻:25mΩ初值

  • 防护等级:IP66

技术参数

    项目    参数值 Data
    额定负荷    10A/250VAC
    操作速度    1mm-1m/s
    操作频率    机械    120次/分120times/min
    电气    30次/分 30times/min
    绝缘电阻    100mΩ以上(Above)DC500V
    接触电阻    25mΩ初值 initial value)
    介质耐压    非连线    1000VAC
    各端子间    1500VAC
    振动    误动作    10-55Hz 复振幅 Amplitude 1.5mm
    冲 击    耐久    1000m/s²
    误动作    300m/s²
    寿 命    电气    100,000次以上 above
    机械    1,000,000次以上 above
    防护等级    IP66
    使用温度    -40°C-80°C

动作特性:

型号  ModelsKJT-KX-5101KJT-KX-5102KJT-KX-5104KJT-KX-5105KJT-KX-5106KJT-KX-5107KJT-KX-5108
动作力 OF max2750g(26.95N)2750g(26.95N)1400g(13.72N)1200g(11.76N)150g(1.47N)1400g(13.72N)1400g(13.72N)
回复力 RF min.900g(8.82N)900g(8.82N)220g(2.13N)----220g(2.13N)220g(2.13N)
预行程 PT maX1.7mm2mm45°45°22mm30°30°
超行程 OT min4mm5mm10°10°--25°25°
差行程 MD max.1.2mm1.5mm20°12°--20°20°
动作位置 OP34±0.8mm44±0.8mm----------
总行程 TT----55°55°--55°55°

下载专区

安装和接线说明 – GFI / GFSI Extreme

德语, 英语, 法语, 意大利语, 葡萄牙语, 俄语

PDF5 MB 28.09.2023

其它感兴趣的产品

KJT-MD 441-11Y-M20

Wireless

KJT-TS 441-11Y

Wireless
标准产品

船用行程开关

KJT-KX-5104 船用行程开关 联系我们