产品特点

  • 2 个电缆入口 M 20 x 1.5

  • 执行器头可重新定位 4 x 90°

  • 金属外壳

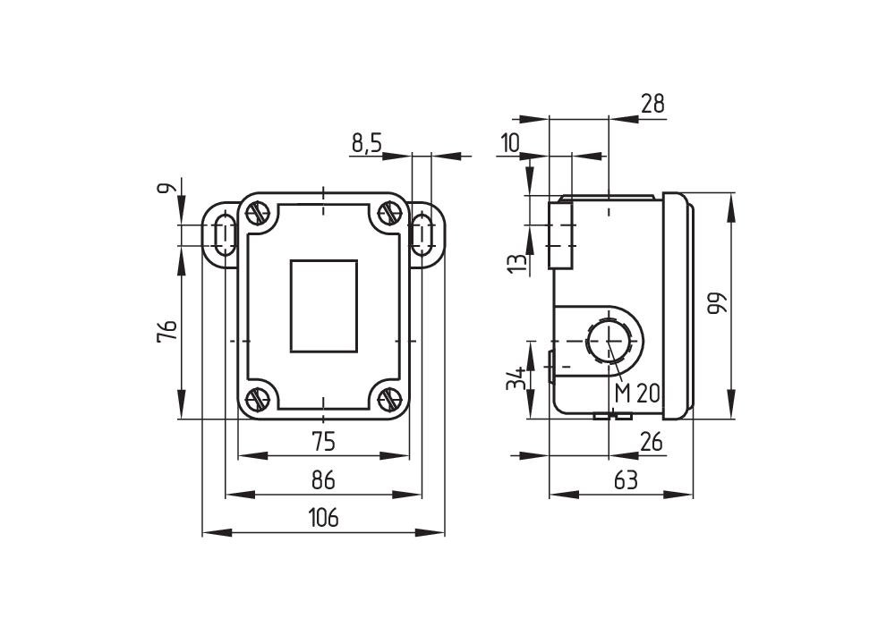
  • 106 毫米 x 99 毫米 x 63 毫米(基本组件)

  • 防护等级IP65

技术参数

产品参数
型号TJ 441-11Y
作用原理机械的
外壳原材料灰口铸铁,镀锌
触点材料
总重量1,525g
常闭数量(NC)1
常开数量(NO)1
B 10D常闭触点 (NC)2,000,000 次操作
执行元件偏置滚轮杠杆
滚筒材质塑料
机械寿命10,000,000 次操作
动作角度,
从开关轴左侧算起
45°
动作角度,
从开关轴右侧算起
30°
接触开路2×6mm
最小驱动速度1mm/分钟
最大动作速度0.5m/秒
注意动作速度:垂直驱动角度切换轴的驱动速度
电路连接螺丝连接 M20 x 1.5
最小电缆截面1.5mm²
最大电缆截面2.5mm²
注意电缆部分:包括导体套圈
线材截面13 AWG
产品尺寸
长宽高63mm*106mm*179mm
脚轮宽度9mm
脚轮直径36mm
应用环境条件
防护等级IP65
环境温度-30 ... +90°C
额定绝缘电压400 VAC
额定冲击耐受电压6kV
电气数据
热测试电流16A
应用类别AC-15: 400 V / 4 A
开关元件常开触点、常闭触点
开关原理动作缓慢
注意事项
应避免从右侧启动,因为这会缩短位置开关的机械寿命

下载专区

安装和接线说明 – GFI / GFSI Extreme

德语, 英语, 法语, 意大利语, 葡萄牙语, 俄语

PDF5 MB 28.09.2023

其它感兴趣的产品

KJT-ZX-5102X重型限位开关

Wireless

KJT-ML-441-11Y替代施迈赛系列行程开关

Wireless
标准产品

重型限位开关

KJT-TJ 441-11Y 联系我们