产品特点

  • ● :2 个电缆入口 M 20 x 1.5

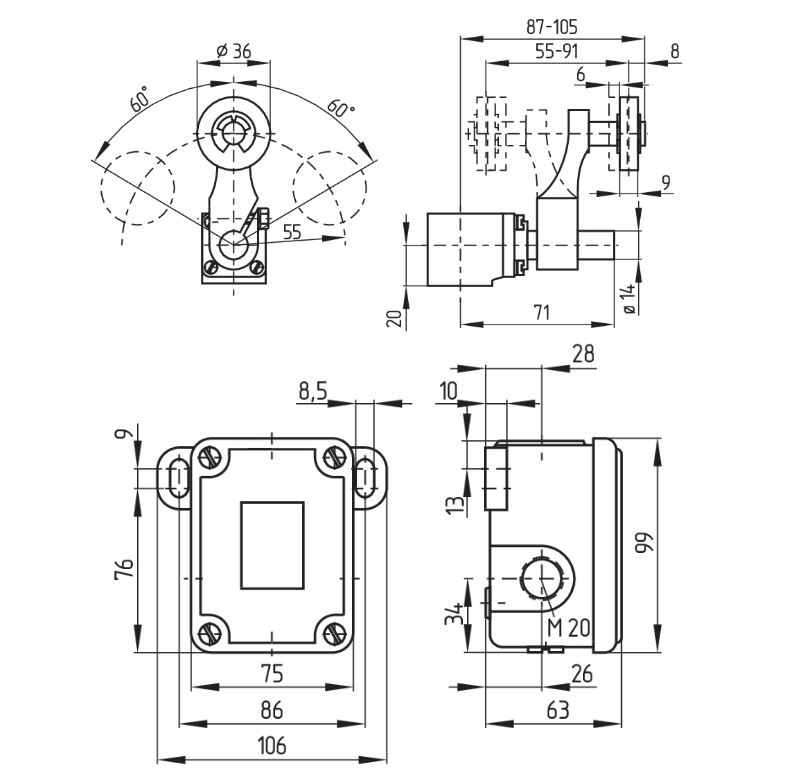
  • ● :执行器头可以 4 x 90° 的步长重新定位

  • ● :金属外壳

  • ● :控制杆位置 360° 连续调节

  • ● :杠杆可旋转 180°

  • ● :在耐温版本中,滚轮可以安装在轴上的两个不同位置

  • ● :106 毫米 x 99 毫米 x 63 毫米(基本组件)

  • ● :防护等级IP65

技术参数

产品参数

型号

ML 441-11Y-2512-6

作用原理

机械的

外壳原材料

灰口铸铁,镀锌

触点材料

总重量

1,656g

常闭数量(NC

1

常开数量(NO

1

B 10D常闭触点 (NC)

2,000,000 次操作

执行元件

滚轮杠杆

滚筒材质

塑料

机械寿命

10,000,000 次操作

动作角度,从开关轴左侧算起

30°

动作角度,从开关轴右侧算起

30°

接触开路

2×2.5mm

最小驱动速度

1mm/分钟

最大动作速度

3m/

注意

动作速度:垂直驱动角度切换轴的驱动速度

电路连接

螺丝连接 M20 x 1.5

最小电缆截面

1.5mm²

最大电缆截面

2.5mm²

注意

电缆部分:包括导体套圈

线材截面

13 AWG

产品尺寸

长宽高

63mm*106mm*192mm

脚轮宽度

9mm

脚轮直径

36mm

应用环境条件

防护等级

IP65

环境温度

’-30 ... +90°C

额定绝缘电压

250 VAC

额定冲击耐受电压

6kV

电气数据

热测试电流

16A

应用类别

AC-15: 250 V / 4 A

开关元件

常开触点、常闭触点

开关原理

快速动作

最大弹跳持续时间

5 ms


下载专区

安装和接线说明 – GFI / GFSI Extreme

德语, 英语, 法语, 意大利语, 葡萄牙语, 俄语

PDF5 MB 28.09.2023

其它感兴趣的产品

KJT-ZX-5102X重型限位开关

Wireless

KJT-ML-441-11Y替代施迈赛系列行程开关

Wireless
标准产品

重型限位开关

KJT-ML 441-11Y-2512-6 联系我们